| Sign In | Join Free | My chinacsw.com |
|
Brand Name : Hua Xuan Yang
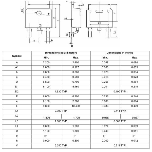
Model Number : 60P03D TO-252
Certification : RoHS、SGS
Place of Origin : ShenZhen China
MOQ : negotiation
Price : Negotiated
Payment Terms : L/C T/T Western Union
Supply Ability : 18,000,000PCS / Per Day
Delivery Time : 1 - 2 Weeks
Packaging Details : Boxed
Product name : Mosfet Power Transistor
Features : Surface mount package
Drain-Source Voltage : -30 V
Gate-Source Voltage : ±20 V
Applications : DC/DC converter for LCD display
P Channel Enhancement Mode Mosfet Power Transistor 60P03D TO-252 30V
Mosfet Power Transistor DESCRIPTION
The AP60P03D uses advanced trench technology
and design to provide excellent R DS(ON) with low
gate charge .Thisdevice is well suited
for high current load applications.
Mosfet Power Transistor GENERAL FEATURES
V DS =-30V,I D =-60A
R DS(ON) <15mΩ @ V GS =-10V
R DS(ON) <20mΩ @ V GS =-4.5V
High density cell design for ultra low Rdson
Fully characterized avalanche voltage and current
Good stability and uniformity with high E AS
Excellent package for good heat dissipation
Mosfet Power Transistor Application
High side switch for full bridge converter
DC/DC converter for LCD display

Package Marking and Ordering Information

ABSOLUTE MAXIMUM RATINGS(TA=25℃unless otherwise noted)

ELECTRICAL CHARACTERISTICS (TA=25℃unless otherwise noted)

NOTES:
1. Repetitive Rating: Pulse width limited by maximum junction temperature.
2. Surface Mounted on 1in 2 FR4 Board, t ≤ 10 sec.
3. Pulse Test: Pulse Width ≤ 300μs, Duty Cycle ≤ 2%. 4. Guaranteed by design, not subject to production testing.

TYPICAL ELECTRICAL AND THERMAL CHARACTERISTICS


DFN5X6-8 Package Information

|
|
P Channel Enhancement Mode Mosfet Power Transistor 60P03D TO-252 30V Images |